BG´óÓÎ

ÁªÏµBG´óÓÎ| ÉèΪÊ×Ò³| ¼ÓÈëÊÕ²Ø
°ì¹«OA ΢ÐÅ
ÄúÄ¿½ñµÄλÖÃÊÇÔÚ£ºÊ×Ò³ > ÐÂÎÅÖÐÐÄ > ͨ¸æ¹«Ê¾
BG´óÓÎ1#¸ÚλÄཬ³ØÖÕ¶ËÖÐת³¡É豸½¨É蹤³ÌÕбêͨ¸æ
Ðû²¼Ê±¼ä£º2020-06-15 16:00:06    ä¯ÀÀÁ¿£º1453´Î    ×÷Õߣº    À´Ô´£º

1.ÕбêÌõ¼þ

BG´óÓÎ1#¸ÚλÄཬ³ØÖÕ¶ËÖÐת³¡½¨É蹤³Ì£¬ÕбêÈËΪÎÂÖÝÊÐBG´óÓÎɰʯÁÏÓÐÏÞ¹«Ë¾£¬½¨Éè×ʽðÀ´×Ô×ԳÏîÄ¿³ö×ʱÈÀýΪ100%¡£ÏîÄ¿ÒѾ߱¸ÕбêÌõ¼þ£¬ÏÖ¶Ô¸ÃÏîÄ¿µÄÊ©¹¤½øÐйûÕæÕбê¡£

2.¹¤³Ì¸Å¿öÓëÕÐ±ê¹æÄ£

2.1½¨ÉèËùÔÚ£ºBG´óÓÎÆð²½Çø4#ÄÚ £»

2.2½¨Éè¹æÄ££º°üÀ¨Äཬ¹ÜµÀ¡¢Äཬ±Ã¡¢Äཬƽ̨µÈ½¨Éè £»

2.3ÕÐ±ê¹æÄ££ºBG´óÓÎ1#¸ÚλÄཬ³µÔËÖÕ¶ËÖÐת³¡É豸½¨Éè £»

2.4¹¤³ÌͶ×Ê£º±¾´ÎÕбêµÄ×î¸ßÏÞ¼Û19.68ÍòÔª £»

2.5¼Æ»®¹¤ÆÚ£º30ÈÕÀúÌì £»

2.6ÖÊÁ¿ÒªÇ󣺼°¸ñ¡£

3.Ͷ±êÈË×ʸñÒªÇó

3.1±¾´ÎÕбêÒªÇóͶ±êÈËÐë¾ß±¸£ººâÓÖþ¹¤³ÌÊ©¹¤×ܳаüÈý¼¶¼°ÒÔÉÏ×ÊÖÊ£¬²¢ÔÚÈËÔ±¡¢É豸¡¢×ʽðµÈ·½Ãæ¾ßÓÐÏàÓ¦µÄÊ©¹¤ÄÜÁ¦¡£

ÏîÄ¿ÂôÁ¦ÈË£¨ÏîÄ¿¾­Àí£©Ðë¾ß±¸£ººâÓÖþ¹¤³Ìרҵ¶þ¼¶¼°ÒÔÉÏ×¢²á½¨Ôìʦִҵ×ʸñ¡£

3.2±¾´ÎÕб겻½ÓÊÜÁªºÏÌåͶ±ê¡£

4.ÕбêÎļþµÄ»ñÈ¡

4.1·²ÓÐÒâ¼ÓÈëͶ±êÕߣ¬ÇëǰÍùÎÂÖÝÊÐBG´óÓÎɰʯÁÏÓÐÏÞ¹«Ë¾209°ì¹«ÊÒ±¨Ãû¡£

4.2 ±¨Ãûʱ¼ä£º2020Äê06ÔÂ15ÈÕ¡ª2020Äê06ÔÂ18ÈÕ£¬ÉÏÎç09:00-11:30£¬ÏÂÎç14:30-16:30£¨±±¾©Ê±¼ä£¬ÏÂͬ£© £»

5.Ͷ±êÎļþµÄµÝ½»

5.1 Ͷ±êÎļþµÝ½»µÄ½ØÖ¹Ê±¼ä£¨Í¶±ê½ØÖ¹Ê±¼ä£¬ÏÂͬ£©£º2020Äê06ÔÂ19ÈÕ10ʱ00·ÖÖ¹ £» 

5.2 ÓâÆÚËÍ´ïµÄ»òÕßδËÍ´ïÖ¸¶¨ËùÔÚµÄͶ±êÎļþ£¬ÕбêÈ˲»ÓèÊÜÀí¡£

6.ÆäËûÓйØÄÚÈÝ

6.1ÆÀ±êÒªÁ죺×îµÍ¼ÛÖбê £»

6.2Öб귽·¨£º¾­ÒµÖ÷ÆÀ±êС×éÉóºËÇкÏÒªÇó£¬Ô­ÔòÉÏÒÔ±¨¼Û×îµÍµÄµ¥Î»ÎªÖб굥룬±¨¼ÛÏàͬ£¬Ôò³éÇ©¾ö¶¨Öб굥λ £»

7.ÁªÏµ·½·¨

ÕбêÈË£ºÎÂÖÝÊÐBG´óÓÎɰʯÁÏÓÐÏÞ¹«Ë¾

µØµã£ºÎÂÖÝÊÐÁúÍå±õº £¿Õ¸ÛÐÂÇø½ðº£¶þµÀBG´óÓΰü¹Ü»ùµØ

Áª ϵ ÈË£ºÇ®ÏÈÉú

µç   »°£º85851963

 

 

ÎÂÖÝÊÐBG´óÓÎɰʯÁÏÓÐÏÞ¹«Ë¾

2020Äê06ÔÂ15ÈÕ

¸½¼þ£º1.¸½¼þ.doc

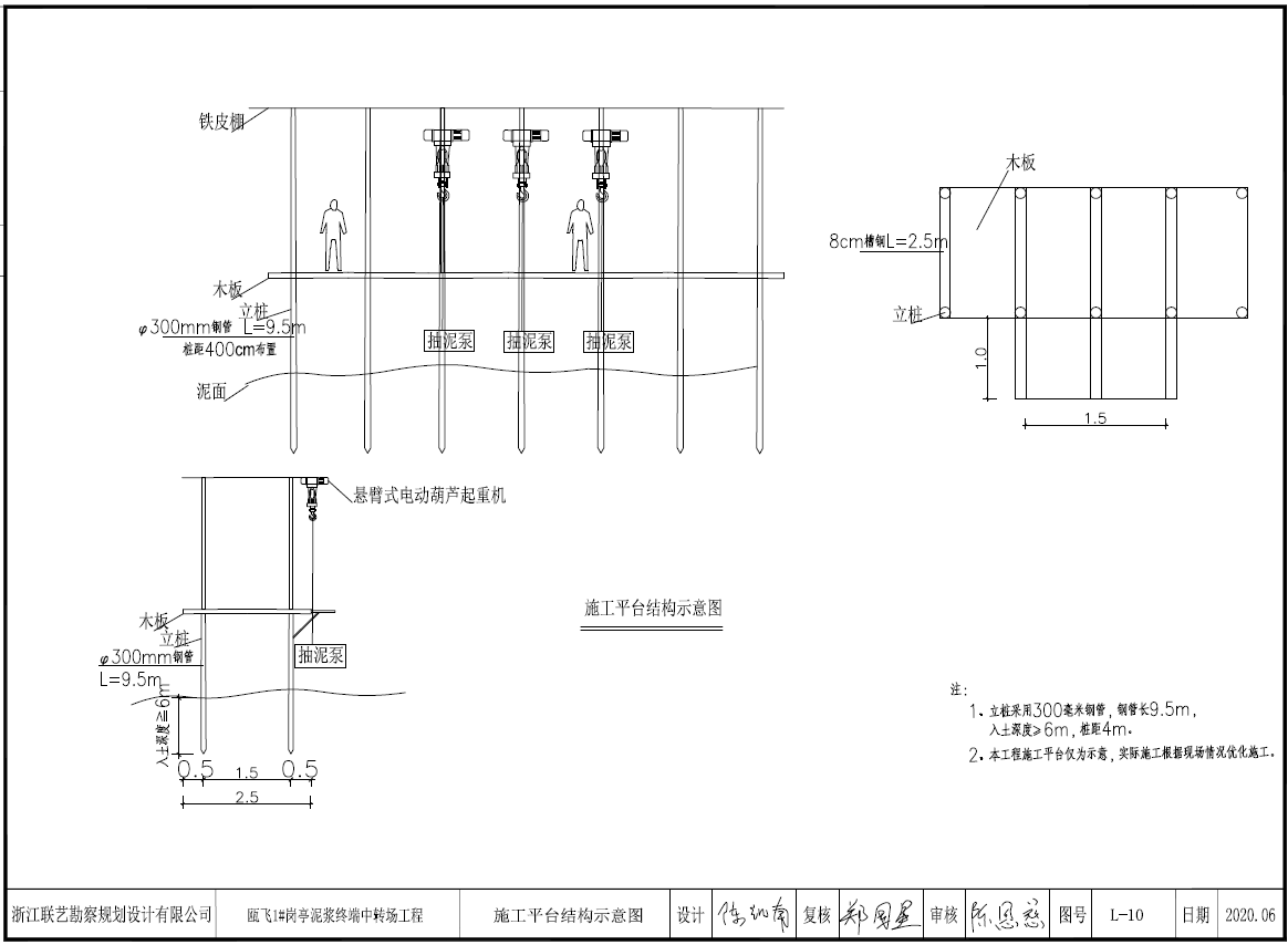
    2.½á¹¹Ê¾Òâͼ.png



 


¡¾×ÖÌå´óС£º´ó ÖРС¡¿
¡¾·µ»Ø¡¿¡¾´òÓ¡¡¿¡¾¹Ø±Õ¡¿